Региональные филиалы компании Агромаш:
Теплообменник трубчатый.
Охладители/пастеризаторы применяется для охлаждения/пастеризации такихпродуктов как соки, молоко, сливки, различные масла и др. продуктыпроточным способом.
Теплообменник трубчатый.
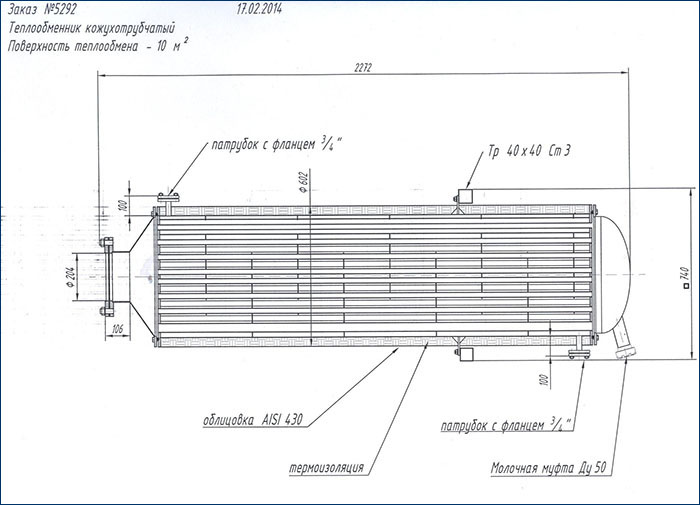
Устройство теплообменника. Охладитель/пастеризаторсостоит из цилиндра, в котором расположены трубы в торцевых фланцах иливстроены ТЭНы для пастеризации. Цилиндр охладителя/пастеризатора снабжентеплоизоляцией и сверху закрыт кожухом.
По торцам цилиндра с помощью барашков крепятся крышки сконусными насадками и резьбовыми патрубками для входа и выхода продукта.
|
 |
Принцип работы теплообменника. Теплоноситель подается через специальные патрубкиохладителя/пастеризатора. С торцевых сторон охладитель закрыт коническимикрышками со штуцерами для присоединения трубопроводов, по которым подаетсяв охладитель и отводится из него продукт.
Цилиндр охладителя/пастеризатора расположен на опорах. Трубчатый теплообменник (охладитель) представляет собой одноходовой трубчатый теплообменник. Внутри цилиндрарасположены теплообменные трубки, концы которых герметично развальцованы втрубных решетках. Производительность может меняться в зависимости отначальной и конечной температуры продукта.
| Технические
характеристики теплообменника |
|
| Наименование |
|
| Производительность охладителя/пастеризатора,
кг/ч |
600 - 800 |
| Число труб теплообменника, шт. |
25 |
| Общая поверхность теплообменника, м |
24 |
| Расход ледяной воды,
м3/ч |
10 |
| Габаритные размеры теплообменника,
мм |
2850 x 430 x 1050 |
| |
|
Схема устройства тепролообменника
Рекомендуем пищевое оборудование: